The LS14 Submersible Stand-Alone Linear Position Sensor has been specifically designed for marine applications that require a waterproof and corrosion-resistant position sensor. Exquisitely engineered, the sensor is rated to operate down to a 100m (10bar) depth. When combined with the non-wearing inductive technology, the LS14 will deliver reliable performance for many years.
The non-wearing inductive technology used in the LS14 is a major advance in displacement sensor design. This transducer has the simplicity of a potentiometer with the life of an LVDT. The LS14 sensor outputs a stable DC analogue signal by using simple inductive coils in conjunction with advanced ASIC control technology. As there is no contact between moving electrical components, reliability is high and wear is eliminated for an exceptionally long life. It also overcomes the drawbacks of LVDT technology that typically include; bulky coils, poor length-to-stroke ratios, separate signal conditioning requirements and the need for special magnetic materials.
The LS14 provides a linear output proportional to travel. Each unit is supplied with the output calibrated to the travel required by the customer, any stroke from 0-5mm to 0-800mm can be specified during the order process. The default accuracy of the LS14 is 0.5% FSO, for stroke ranges above 450mm, however if you would like a greater accuracy, for stroke ranges less than 600mm, then this can be specified during the ordering process too.
The sensor is very robust, the body and push rod being made of stainless steel for long service life and environmental resistance. It is particularly suitable for OEMs seeking good sensor performance for arduous applications such as industrial machinery where cost and reliability is important.
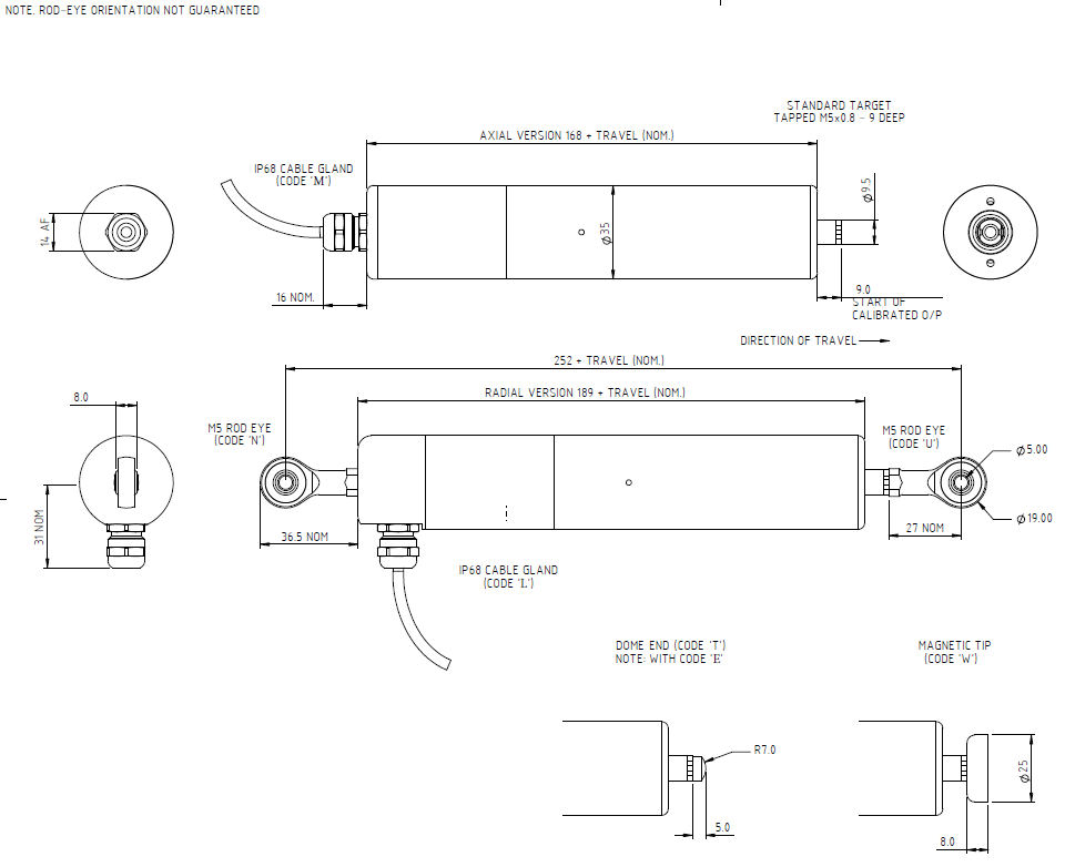
Overall performance, repeatability and stability are outstanding over a wide temperature range. The sensor is easy to install with mounting options including M5 rod eye bearings and body clamps. The push rod by default is supplied, free or captive, with female M5x0.8×9 deep thread. Alternatively, M5 rod eye, dome end or magnetic tip options are available too. Captive push rods can be sprung loaded, in either direction, on sensors up to 300mm of travel. The LS14 also offers a wide range of mechanical and electrical options and is IP68 10bar/IP69K rated. The ability for the LS14 to remain unaffected by external Electrical Magnetic interference is assured by the built in EMC protection that conforms to EN 61000-6-2 and EN 61000-6-3 standards.
Common applications for the LS14 position sensor include geotechnical testing, marine research, offshore structure monitoring and oil & gas activities.
Applied Measurements can supply a wide variety of instrumentation to complement your LS14 displacement sensor, such as wireless transmitters and receivers, digital displays and amplifiers.
| Dimensions | |
|---|---|
| Body Diameter | 35mm |
| Body Length (Axial version) | calibrated travel + 168mm |
| Body Length (Radial version) | calibrated travel + 189mm |
| Push Rod Extension | calibrated travel + 9mm, OD 9.5mm |
| Non-Linearity | |
| Up to 450 mm | ≤±0.25%/FSO @ 20°C |
| Over 450 mm | ≤±0.5%/FSO @ 20°C |
| Temperature Coefficients | |
| Gain | <±0.01%/°C |
| Offset | <±0.01%FS/°C |
| Frequency Response (-3db) | |
| Voltage and 4-20mA (3-wire) Outputs | >10kHz |
| 4-20mA (2-wire loop-powered) Output | >300Hz |
| Resolution | Infinite |
| Noise | <0.02%/FSO |
| Environmental Temperature Limits (non-icing) | |
| Operating | -20°C to +85°C (standard) -40°C to +125°C (optional) |
| Storage | -20°C to +85°C |
| Sealing | IP68 to 10bar / IP69K |
| EMC Performance | EN 61000-6-2, EN 61000-6-3 |
| Vibration | IEC 68-2-6: 10g |
| Shock | IEC 68-2-29: 40g |
| MTBF | 350,000 hrs 40°C Gf |
As with all our LVDT type position sensors, the sensing principle is contactless which makes it an extremely robust, long-lived sensor.



